登录
注册
退出
网站地图
手机版
首页
党建工作
党建要闻
党风廉政
协会概况
协会简介
协会章程
理事会
关于我们
协会动态
通知公告
工作动态
信息发布
教育培训
专项工作
步行街
药品流通
绿色流通
预付卡
以旧换新专栏
公益活动
零售创新
专题栏目
信用建设
特许经营
商贸物流
统计分析
消费促进
电子商务
消费者保护
行业发展
行业新闻
政策法规
标准规范
会展论坛
政策解读
山西消费品牌库
会员之窗
会员动态
招商招聘
更多
图片新闻
下载专区
要闻转载
当前位置:
首页
>
行业发展
>
标准规范
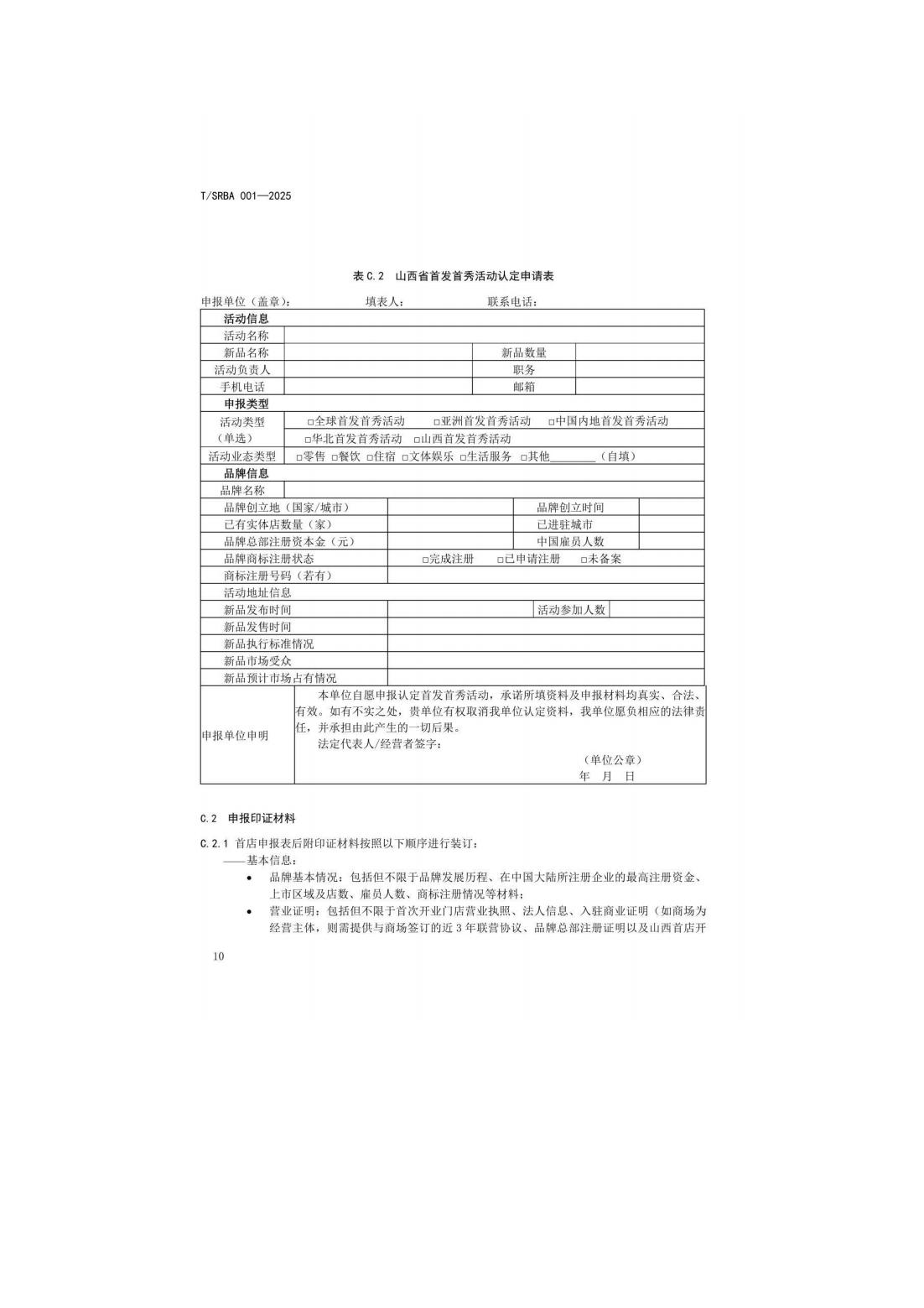
《首店经济认定规范》(T/SRBA 001-2025)团体标准于2025年9月1日起执行
来源:本协会 发布日期:2025-08-30 10:00:08
打印
分享到:
责任编辑:
晋零协
相关信息
《首店经济认定规范》(T/SRBA 001-2025)团体标准于2025年9月1日起执行
GB/T21097—2025 家用和类似用途电器的安全使用年 限和再生利用通则
商务部公告2025年第30号 商务部批准《零售门店盘点管理规范》等33项国内贸易行业标准的
社会团体年度检查办法
食品安全事故应急演练要求(国家标准)
大型连锁食品销售企业体系检查工作规范(山西省地方标准)
全国电动自行车安全隐患全链条整治工作专班印发《电动自行车锂离子电池回收利用体系建设指南》
中国国家标准公告 2024年第31号《电动自行车安全技术规范》GB 17761-2024
热点推荐
GB/T21097—2025 家用和类似用途电器的安全使用年 限和再生利用通则
T CHEAA 0011.2-2020《家用电器安全使用年限 第2部分:家用电动洗衣机和干
直播营销基地建设与管理规范
民政部最新指引——行业协会商会自身建设指南
T CHEAA 0011.7-2022《家用电器安全使用年限 第7部分:家用净水机》
T CHEAA 0011.6-2022《家用电器安全使用年限 第6部分:储水式电热水器》
一图读懂丨《家用和类似用途保健按摩垫》等 4项家电新国标
大型连锁食品销售企业体系检查工作规范(山西省地方标准)
政策法规
会员之窗
绿色流通
看更多精彩内容
友情链接